Přihlásit se
Přihlášení uživatelů
+420 547 230 048
![]() |
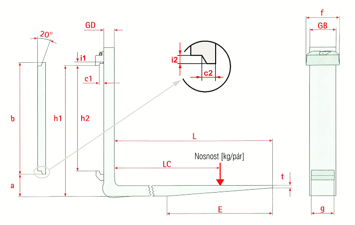
Nosnost vozíku [kg/pár] | Výška (a) [mm] | Provedení ISO/FEM | Vzdálenost těžiště (LC) [mm] |
| 0 - 999 | 76 | 1A | 400 | |
| 114 | 1B | |||
| 1 000 - 2 500 | 76 | 2A | 500 | |
| 152 | 2B | |||
| 2 501 - 4 999 | 76 | 3A | 500 | |
| 203 | 3C | |||
| 5 000 - 10 000 | 127 | 4A | 600 | |
| 254 | 4B |

| Provedení ISO/FEM | b [mm] | c1+1 [mm] | c2-1 [mm] | h1±3 [mm] | h2* [mm] | i1min [mm] | i2-1,5 [mm] | m1max [mm] | RH [mm] |
| 1A | 331 | 16,5 | 16 | 394 | 306 | 14 | 13 | 31 | 475 |
| 1B | 432 | 510 | |||||||
| 2A | 407 | 16,5 | 16 | 470 | 382 | 14 | 13 | 31 | 550 |
| 2B | 546 | 625 | |||||||
| 3A | 508 | 22 | 21,5 | 568 | 477 | 17 | 16 | 40 | 655 |
| 3B | 695 | 780 | |||||||
| 4A | 635 | 26 | 25,5 | 743 | 598 | 20 | 17 | 47 | 845 |
| 4B | 870 | 970 |